0
MENU
關於我們
關於琺博門鎖
開發與設計重點
抗病毒抗菌塗層
產品電子型錄
產品保固書
聯絡我們
產品資訊
影音專區
應用領域
常見問題
電子鎖常見問題
舊改小撇步
【施工使用】開孔圖
部落格
訂單查詢
0
【施工使用】開孔圖
首頁
常見問題
【施工使用】開孔圖
MENU
電子鎖常見問題
舊改小撇步
【施工使用】開孔圖
FB98鎖體開孔圖
FB11開孔圖
FB63-3085開孔模板
FB63-3585開孔圖
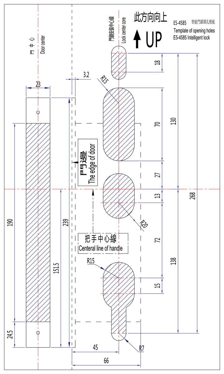
FB63-fb68鎖夾4585開孔圖
FB63-fb68鎖夾6085開孔圖
7系列開孔圖(與FB92共用)
FB83-02右開孔圖
FB83-02左開孔圖
FB83J右開
FB83J左開
J300開孔圖
J380琺博開孔圖-(60鎖體)
J380琺博開孔圖-(70鎖體)
J301開孔圖
FB91築中開孔圖-01
FB91築中開孔圖-02
FB80開孔圖-01
FB80開孔圖-02
FB95-7068開孔圖